1、产品简介:
ZLSH1系列负荷隔离开关适用于交流50HZ、额定电压至400V,额定电流至630A。作用于不频繁接通与分断电路及电气隔离之用。广泛应用于建筑、电力、石油化工及其他行业的配电系统和自动化系统中。
开关负荷IEC 60947-3、GB 14048.3标准。
2、产品特性:
开关造型美观、新颖简洁、体积小,功能全是同类产品的z佳选择
3、性能参数:
| 约定发热电流In(A) | 250 | 315 | 400 | 500 | 630 |
| 额定绝缘电压Ui(V)(安装类别IV) | 1000 | 1000 | 1000 | 1000 | 1000 |
| 额定冲击耐受电压Uimp Kv | 2200 | 2200 | 2200 | 2200 | 2200 |
| 额定工作电流Ie(A)400V AC-23B | 250 | 315 | 400 | 500 | 630 |
| 额定短时耐受电流Icw(KA rms)1s | 18 | 18 | 18 | 18 | 18 |
| 额定分断能力Icn(A Rms)AC23 400V | 2000 | 2520 | 3200 | 4000 | 5040 |
| 额定接通能力Icn(A Rms)AC23 400V | 2500 | 3150 | 4000 | 5000 | 6300 |
| 额定短路接通能力Icm(KA峰值) | 30 | 30 | 30 | 30 | 30 |
| 机械寿命400V | 1400 | 800 | 800 | 800 | 800 |
| 电气寿命400V | 200 | 200 | 200 | 200 | 200 |
| 操作力矩(Nm) | 10 | 14.5 | 14.5 | 14.5 | 14.5 |
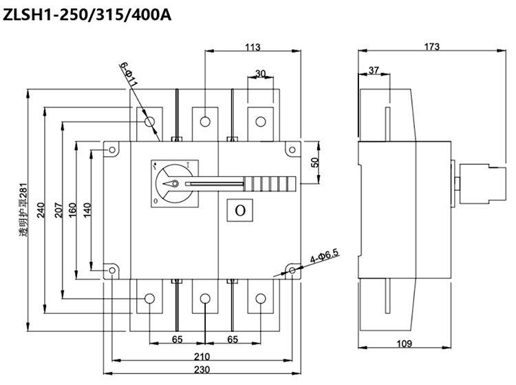
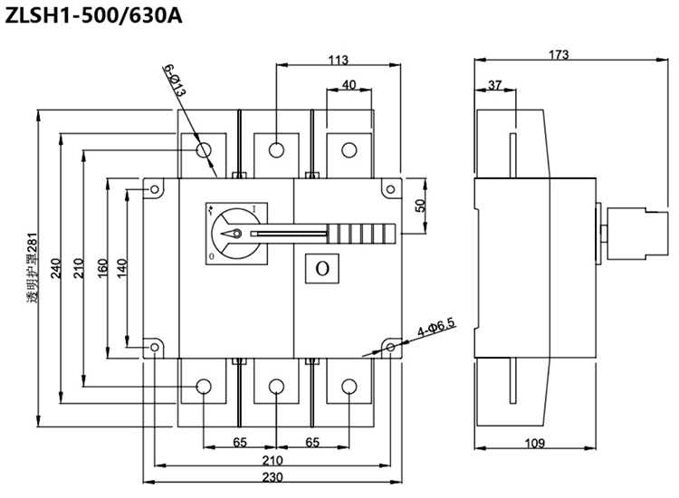
4、负荷隔离开关尺寸图:



Experienced

High cost performance

quality assurance

Support customization

Fast delivery